Работа любого компьютера невозможна без блока питания. Поэтому стоит отнестись серьезно к выбору. Ведь от стабильной и надежной работы БП будет зависеть работоспособность самого компьютера.
Что это такое
Главной задачей блока питания является преобразование переменного тока и дальнейшее формирование требуемого напряжения, для нормальной работы всех комплектующих ПК.
Напряжение, требуемое для работы комплектующих:
- +12В;
- +5В;
- +3,3В.
Кроме этих заявленных величин существует и дополнительное величины:
- -12В;
- -5В.

БП выполняет роль гальванической развязки между электрическим током из розетки и комплектующими потребляющие ток. Простой пример, если произошла утечка тока и человек дотронулся до корпуса системного блока его ударило бы током, но благодаря блоку питания этого не происходит. Часто используются источники питания (ИП) формата ATX.
Обзор схем источников питания
Главной частью структурной схемы ИП, формата ATX, является полумостовой преобразователь. Работа преобразователей этого типа заключается в использовании двухтактного режима.
Стабилизация выходных параметров ИП осуществляется применением широтно-импульсной модуляции (ШИМ-контроллер) управляющих сигналов.
В импульсных источниках питания часто используется микросхема ШИМ-контроллера TL494, которая обладает рядом положительных свойств:
- приемлемые рабочие характеристики микросхемы. Это – малый пусковой ток, быстродействие;
- наличие универсальных внутренних элементов защиты;
- удобство использования.
Простой импульсный БП
Принцип работы обычного импульсного БП можно увидеть на фото.

Первый блок выполняет изменение переменного тока в постоянный. Преобразователь выполнен в виде диодного моста, который преобразовывает напряжение, и конденсатора, сглаживающего колебания.
Кроме этих элементов могут присутствовать еще дополнительные комплектующие: фильтр напряжения и термисторы. Но, из-за дороговизны, эти комплектующие могут отсутствовать.
Генератор создает импульсы с определенной частотой, которые питают обмотку трансформатора. Трансформатор выполняет главную работу в БП, это – гальваническая развязка и преобразование тока до требуемых величин.
Далее переменное напряжение, генерируемое трансформатором, идет на следующий блок. Этот блок из диодов, выравнивающих напряжение, и фильтра пульсаций. Фильтр состоит из группы конденсаторов и дросселя.
Видео: Принцип работы ШИМ контроллера БП
АТХ без коррекции коэффициента
Простой импульсный БП хоть и рабочее устройство, но на практике его использовать неудобно. Многие из его параметров на выходе «плавают», в том числе и напряжение. Все эти показатели изменяются из-за нестабильного напряжения, температуры и загруженности выхода преобразователя.
Но если осуществлять управление этими показателями с помощью контроллера, который будет выполнять роль стабилизатора и дополнительные функции, то схема будет вполне пригодной для применения.
Структурная схема БП с использованием контроллера широтно-импульсной модуляции проста и представляет генератор импульсов на ШИМ-контроллере.

ШИМ-контроллер регулирует амплитуду изменения сигналов проходящих через фильтр низких частот (ФНЧ). Главным достоинством являются высокие показатели КПД усилителей мощности и широкие возможности в использовании.
АТХ с коррекцией коэффициента мощности
В новых источниках питания для ПК появляется дополнительный блок – корректор коэффициента мощности (ККМ). ККМ убирает появляющиеся погрешности мостового выпрямителя переменного тока и повышает коэффициент мощности (КМ).
Поэтому производителями активно изготавливаются БП с обязательной коррекцией КМ. Это означает, что ИП на компьютере будет работать в диапазоне от 300Вт и более.

В этих БП используют специальный дроссель с индуктивностью выше чем на входе. Такой ИП называют PFC или пассивным ККМ. Имеет внушительный вес из-за дополнительного использования конденсаторов на выходе выпрямителя.
Из недостатков можно выделить невысокую надежность ИП и некорректную работу с ИБП во время переключения режима работы «батарея/сеть».
Это связано с маленькой емкостью фильтра сетевого напряжения и в момент падения напряжения повышается ток ККМ, и в этот момент включается защита от короткого замыкания.
На двухканальном ШИМ-контролере
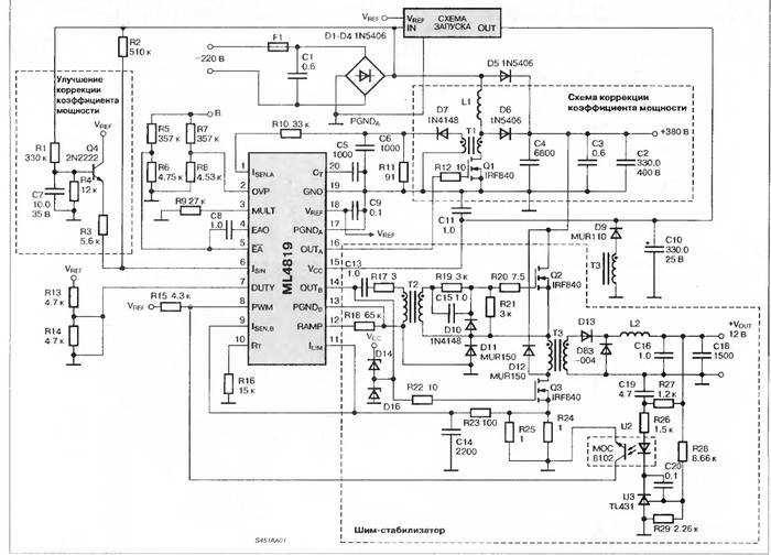
Часто используют в современных источниках питания для компьютера двухканальные ШИМ-контроллеры. Единственная микросхема способна выполнять роль преобразователя и корректора КМ, что сокращает общее количество элементов в схеме БП.

В приведенной схеме первая часть выполняет формирование стабилизированного напряжение +38В, а вторая часть является преобразователем, который формирует стабилизированное напряжение +12В.
Схема подключения блока питания компьютера
Для подключения блока питания к компьютеру следует выполнить ряд последовательных действий:
- установить БП в системный блок. Все эти действия нужно выполнять аккуратно, чтобы не задеть остальные комплектующие;
- закрепить БП к задней панели системного блока специальными винтами;
- подсоединить кабели питания ко всем устройствам находящимся в системном блоке (материнская плата, дисковод, видеокарта, винчестер). Особых предпочтений в порядке подключения нет, главное все сделать аккуратно и правильно.

Конструктивные особенности
Для подключения комплектующих персонального компьютера на БП предусмотрены различные разъемы. На задней его части расположен разъем под сетевой кабель и кнопка выключателя.
Кроме этого может находится еще на задней стенке БП и разъем для подключения монитора.
В различных моделях могут быть и другие разъемы:
- индикатор напряжения;
- кнопки изменения режима работы вентилятора;
- переключатель входящего напряжения;
- USB-порты, встроенные в БП.

В современных источниках питания для ПК реже устанавливают вентилятор на задней стенке, который вытягивал горячий воздух из БП. В замен этого решения начали использовать вентилятор на верхней стенке, который был больше и работал тише.
На некоторых моделях возможно встретить сразу два вентилятора. Из стенки, которая находится внутри системного блока, выходит провод со специальным разъемом для подачи тока на материнскую плату. На фото указаны возможные разъемы подключения и обозначение контактов.

Каждый цвет провода подает определенное напряжение:
- желтый — +12 В;
- красный — +5 В;
- оранжевый — +3,3 В;
- черный – заземление.
У различных производителей могут изменяться значения для этих цветов проводов.
Также есть разъемы для подачи тока комплектующим компьютера.

Параметры и характеристики
БП персонального компьютера имеет много параметров, которые могут не указываться в документации. На боковой этикетке указываются несколько параметров – это напряжение и мощность.
Мощность – основной показатель
Эта информация пишется на этикетке крупным шрифтом. Показатель мощности БП указывает на общее количество электроэнергии доступной для внутренних комплектующих.
Казалось бы, выбрать БП с требуемой мощностью будет достаточным просуммировать потребляемые показатели комплектующими и выбрать БП с небольшим запасом. Поэтому большой разницы между 200w и 250w не будет существенной.

Но на самом деле ситуация выглядит сложнее, потому что выдаваемое напряжение может быть разным — +12В, -12В и другим. Каждая линия напряжения потребляет определенную мощность. Но в БП расположен один трансформатор, который генерирует все напряжения, используемые ПК. В редких случаях может быть размещено два трансформатора. Это дорогой вариант и используется в качестве источника на серверах.
В простых же БП используется 1 трансформатор. Из-за этого мощность на линиях напряжений может меняться, увеличиваться при малой нагрузке на других линиях и наоборот уменьшаться.
Рабочие напряжение
При выборе БП следует обратить внимание на максимальные значения рабочих напряжений, а также диапазон входящих напряжений, он должен быть от 110В до 220В.
Правда большинство из пользователей на это не обращают своего внимания и выбирая БП с показателями от 220В до 240В рискуют к появлению частых отключений ПК.

Такой БП будет выключаться при падении напряжения, которые не редкость для наших электросетей.Превышение заявленных показателей приведет к выключению ПК, сработает защита. Чтобы включить обратно БП придется отключить его от сети и подождать минуту.
Следует помнить, что процессор и видеокарта потребляю самое большее рабочее напряжение в 12В. Поэтому следует обращать внимание на эти показатели.Для снижения нагрузки на разъемы, линию 12В разделяют на пару параллельных с обозначением +12V1 и +12V2. Эти показатели должны быть указаны на этикетке.
Советы по выбору источника
Перед тем как выбрать для покупки БП, следует обратить внимание на потребляемую мощность внутренними компонентами ПК.
Но некоторые видеокарты требуют особый потребляемый ток +12В и эти показатели следует учитывать при выборе БП. Обычно для ПК, в котором установлена одна видеокарта, достаточно источника с мощностью в 500вт или 600.

Также следует ознакомится с отзывами покупателей и обзорами специалистов о выбранной модели, и компании производителе. Лучшие параметры, на которые следует обратить внимание, это: мощность, тихая работа, качество и соответствие написанным характеристикам на этикетке.
Экономить при этом не следует, ведь от работы БП будет зависеть работа всего ПК. Поэтому чем качественнее и надежнее источник, тем дольше прослужит компьютер. Пользователь может быть уверен, что сделал правильный выбор и не беспокоится о внезапных выключениях своего ПК.





























































